KangooLogo
Aktuelles / News ] [ Forum ] [ Wiki ] [ Galerie ] Kleinanzeigen ]
Impressum ] [  Hilfe und Infos  ]


rechtes Fenster lässt sich nur noch runterfahren (TTT-Technik, Tipps und Tricks)

Lotti Karotti, (vor 1307 Tagen) @ freesy

Ich gebe morgen Feedback.

Ok.
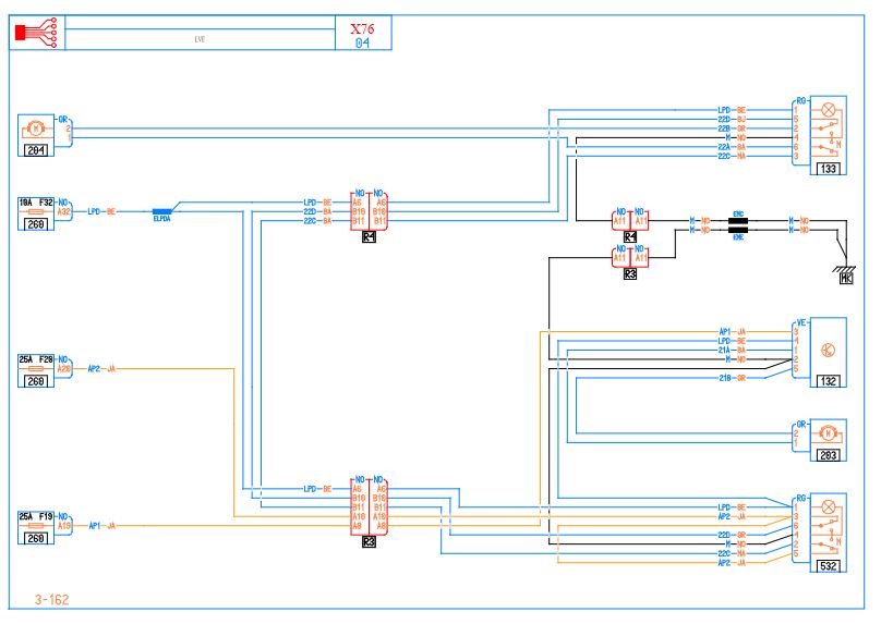
Hab mal einfach irgendeinen Schaltplan Fensterheber Kangoo rausgesucht (keine Ahnung, ob das bei dir passt). Das da UCH oder ZV-Steuergerät dazwischen hängt, war ein Irrtum von mir.
Aber Kabelbruch ist noch nicht aus der Welt....kann auch auf der Fahrerseite für Beifahrerfenster sein.

[image]

133 und 532 = Schalter für Beifahrerseite


gesamter Thread:

 RSS-Feed dieser Diskussion